
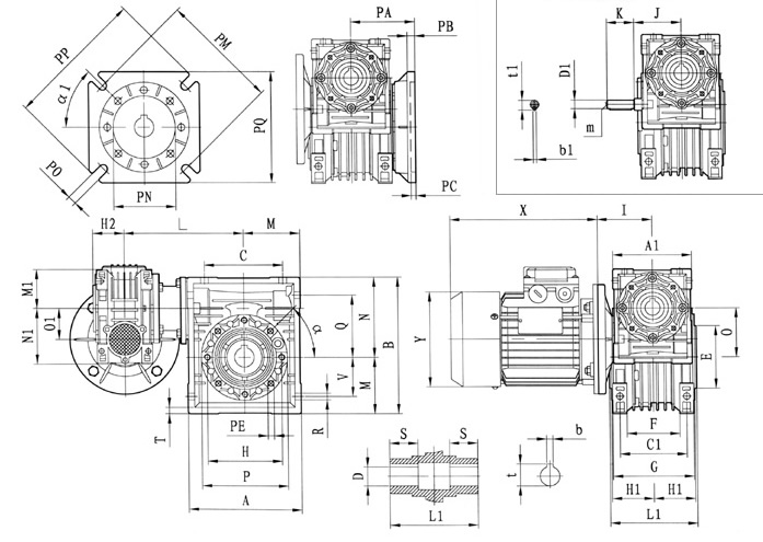
| 型號 | A | A1 | B | C | C1 | D(H7) | D1(j6) | E(H8) | F | G | H | H1 | H2 | I | J | K | L | L1 | M | M1 | N | 
| 030/040 | 100 | 80 | 121.5 | 70 | 60 | 18(19) | 9 | 60 | 43 | 71 | 75 | 36.5 | 29 | 55 | 51 | 20 | 120 | 78 | 50 | 40 | 71.5 | 
| 030/050 | 120 | 80 | 144 | 80 | 70 | 25(24) | 9 | 70 | 49 | 85 | 85 | 43.5 | 29 | 55 | 51 | 20 | 130 | 92 | 60 | 40 | 84 | 
| 030/063 | 144 | 80 | 174 | 100 | 85 | 25(28) | 9 | 80 | 67 | 95 | 95 | 53 | 29 | 55 | 51 | 20 | 145 | 112 | 72 | 40 | 102 | 
| 040/075 | 172 | 100 | 205 | 120 | 90 | 28(35) | 11 | 95 | 72 | 115 | 115 | 57 | 36.5 | 70 | 60 | 23 | 165 | 120 | 86 | 50 | 119 | 
| 040/090 | 206 | 100 | 238 | 140 | 100 | 35(38) | 11 | 110 | 74 | 130 | 130 | 67 | 36.5 | 70 | 60 | 23 | 182 | 140 | 103 | 50 | 135 | 
| 050/110 | 255 | 120 | 295 | 170 | 115 | 42 | 14 | 130 | - | 144 | 165 | 74 | 43.5 | 80 | 74 | 30 | 225 | 155 | 127.5 | 60 | 167.5 | 
| 063/130 | 293 | 144 | 335 | 200 | 120 | 45 | 19 | 180 | - | 155 | 215 | 81 | 53 | 95 | 90 | 40 | 245 | 170 | 146.5 | 72 | 187.5 | 
| 型號 | N1 | O | 01 | P | Q | R | S | T | V | PE | α | b | b1 | t | t1 | m | Kg | 
| 030/040 | 57 | 40 | 30 | 87 | 55 | 6.5 | 26 | 6.5 | 35 | M6 × 8(n=4) | 45o | 6(6) | 3 | 20.8(21.8) | 10.2 | - | 3.9 | 
| 030/050 | 57 | 50 | 30 | 100 | 64 | 8.5 | 30 | 7 | 40 | M8 × 10(n=4) | 45o | 8(8) | 3 | 28.3(27.3) | 10.2 | - | 5.0 | 
| 030/063 | 57 | 63 | 30 | 110 | 80 | 8.5 | 36 | 8 | 50 | M8 × 14(n=8) | 45o | 8(8) | 3 | 28.3(31.3) | 10.2 | - | 7.8 | 
| 040/075 | 71.5 | 75 | 40 | 140 | 93 | 11 | 40 | 10 | 60 | M8 × 14(n=8) | 45o | 8(10) | 4 | 31.3(38.3) | 12.5 | - | 12.0 | 
| 040/090 | 71.5 | 90 | 40 | 160 | 102 | 13 | 45 | 11 | 70 | M10 × 18(n=8) | 45o | 10(10) | 4 | 38.3(41.3) | 12.5 | - | 16.0 | 
| 050/110 | 84 | 110 | 50 | 200 | 125 | 14 | 50 | 14 | 85 | M10 × 18(n=8) | 45o | 12 | 5 | 45.3 | 16.0 | M6 | 39.2 | 
| 063/130 | 102 | 130 | 63 | 250 | 140 | 16 | 60 | 15 | 100 | M12 × 21(n=8) | 45o | 14 | 6 | 48.3 | 21.5 | M6 | 55. | 
上一篇:RV雙級蝸輪蝸桿減速機選型參數表